VerkehrFernmeldewesen

Fernsprechautomaten

Prometheus • 21.7.1897

Fernsprechautomat

Selbst­kassierende öffentliche Fernsprechstellen sind neuerdings in Norwegen, speziell in Christiania [das heutige Oslo], in größerer Anzahl eingerichtet worden. Wir geben im Nachfolgenden die kurze Beschreibung eines Fernsprechautomaten, wie er von N. Jacobsen, elektriske Värksted in Christiania, ausgeführt wird.

Der Fernsprecher unterscheidet sich nicht wesentlich von den gewöhnlichen auch bei uns gebräuchlichen Apparaten, deren Einrichtung wir hier als bekannt voraussetzen müssen, nur ist an ihm eine einfache Vorrichtung angebracht, die das Anrufen der Zentralstelle stets erst nach Einwurf eines 10 Öre-Stückes gestattet. Diese Vorrichtung, die sich auf der Innenseite des vorderen Deckels befindet, wirkt in folgender Weise automatisch:

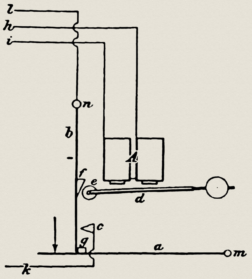
Fernsprechautomat Schaltung

Das durch die Einwurföffnung in der Richtung des Pfeiles (vgl. Schaltplan) herabfallende Geldstück drückt die bei m drehbar gelagerte Feder a nieder; da hierdurch die bei n beweglich aufgehängte Feder b ausgelöst wird und mit in Berührung kommt, so wird durch die leitenden Drähte l und k ein in dem Apparat befindlicher Anruf­induktor eingeschaltet und die Zentralstelle kann zur Vermittlung eines Gespräches angerufen werden.

Nach Beendigung des Gesprächs wird von der Zentralstelle durch die Drähte h und i ein Strom durch den Elektromagneten A gesandt; dieser zieht den Anker d an, und indem das Röllchen e den Keil f bei Seite schiebt, wird b wieder von c entfernt und der Stromkreis unterbrochen. Durch die Erhöhung g auf der Feder a wird b in dieser Stellung festgehalten und kann erst wieder durch Einwurf eines 10 Öre-Stückes mit c in leitende Berührung gebracht werden.

eBook-Tipp:
Wenn der Aufgeber einer Depesche dieselbe dem Annahmebeamten übergeben hat, dann geht er befriedigt und mit der frohen Hoffnung von dannen, seine Depesche werde nun binnen kürzester Zeit die Adressstation erreichen. Der telegrafische Betrieb ist aber einer zahllosen Menge von Störungen unterworfen, verursacht bald durch die harmlosesten Zufälle, bald durch gewaltige Naturerscheinungen, gegen welche der unwissende, schwache Mensch trotz beharrlicher Anstrengung stets vergebens ankämpft.
eBook € 0,99 | eISBN: 978-3-7568-9135-1

• Auf epilog.de am 20. Oktober 2025 veröffentlicht

Reklame